Home » eBike Conversion Kit » Components » Motor » Elepedol SQ-205A 20inch * 3.0 250W 350W 500W New Design Fat Tire Aluminum Casting Wheel Motor

loading

Elepedol SQ-205A 20inch * 3.0 250W 350W 500W New Design Fat Tire Aluminum Casting Wheel Motor

Elepedol SQ-205A model is a new design fat tire aluminum casting wheel motor. Its power can be 250W 350W 500W. Max torque is 48Nm, max speed can reach to 45km/h. The wheel szie is 20inch *(2.5-3.0), compared with traditional snowbike motor, it can be intsalled with tires which is less than 4.0. We provide a whole set for you, including rear wheel motor and front wheel. Since it doesn't need spokes, so the production time for bulk orders is shorter compared with spoked motors. As you know, it will take quite long time to install the spokes & rims in the motors. 
  • SQ-205A

  • Elepedol

  • 8501310000

Availability:
Quantity:
facebook sharing button
twitter sharing button
line sharing button
wechat sharing button
linkedin sharing button
pinterest sharing button
sharethis sharing button

 SPECIFICATION


Position Rear 
Construction 
Gear
Rated Voltage (V) 36 / 48 
Rated Power  (W) 250 /350/500
Weight (KG) 6.5
Reduction Ratio 1: 5
Max Torque (N.m) 48
Wheel Szie 20inch * (2.5-3.0)
Spoke specification /
Rated speed (KM/H) 25-45 
Magnet Poles (2P)  10 
Operating temperature (℃) -20-45
Surface color  Black /Silver 
Dropout (mm) 150 
Drive and freewheel  Rear: 6s-8s    
Brake type V / Disc brake
Efficiency (%) ≥80 
Cable position  Shaft center right 
Noise grade (db) ≤45
IP grade  54


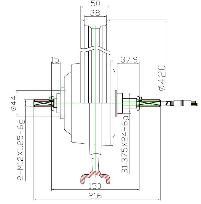
DIMENSION

205 drawing


Previous: 
Next: