SQ-G24
ELEPEDOL
8501310000
| Color: | |
|---|---|
| Availability: | |
| Quantity: | |
ELEPEDOL 250W 350W ebike geared hub motor
 | Position | Front/ Rear | 
| Construction  |  Gear | 
| Rated Voltage (V) | 24 / 36 / 48 | 
| Rated Power (W) | 250 /350 | 
| Weight (KG) | 3 | 
| Reduction Ratio | 1:4.4 | 
| Max Torque (N.m) | 42 | 
| Wheel Szie | 16''/18''/20''/22''/24''/26''/28''/700c | 
| Spoke specification | 28Hole/ 36Hole 12g/13g | 
| Rated speed (KM/H) | 25-32 | 
| Magnet Poles (2P) | 10 | 
| Operating temperature (℃) | -20-45 | 
| Surface color | Black /Silver | 
| Dropout (mm) | Front: 100 / Rear: 138 / Rear Cassette: 144.5 | 
| Drive and freewheel | Rear: 6s-8s / Rear Cassette: 8s-10s | 
| Brake type | V / Disc brake | 
| Efficiency (%) | ≥80 | 
| Cable position | Shaft center right | 
| Noise grade (db) | ≤45 | 
| IP grade | 54 | 
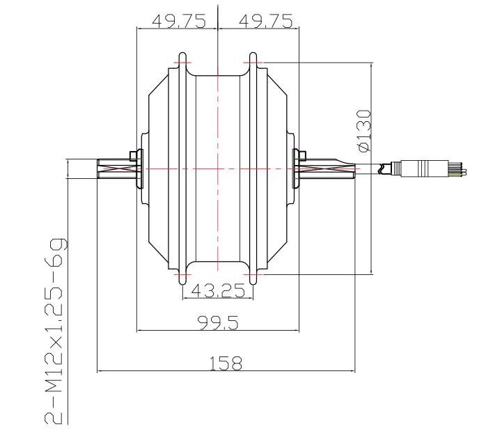
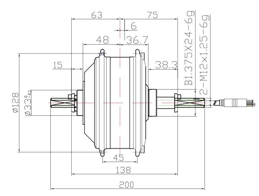
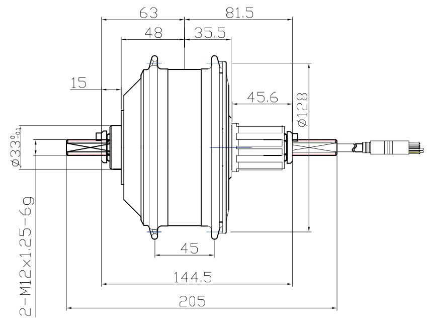
DIMENSION
Front wheel: (SQG24F)
Rear wheel: (SQG24R)
Rear Cassette wheel: (SQG24C)
When you plan to choose a motor for your electric bike, please remember that bigger is not always better.
Traditional geared motors range from 250W-500W, but as the electric bicycle industry grows, so is motor power. Normally, a 250w geared hub motor is enough for general commutes, while upgrading to a 350W or 500W, even 750W geared hub motor is beneficial for those who will do a lot of uphill rides.
As you can see from above datas for our SQ-G24 geared hub motor, it has 3 models, front wheel, rear freewheel wheel, rear cassette wheel. And, with different height for the magnet, it can be 250W or 350W. The max torque can reach to 42Nm, and the max speed can reach to 32km/h. Suppose you choose a normal 8.8Ah lithium battery, with pedal assist, you can run the e-bike around 40-60km. That's why we wrote "a 250w geared hub motor is enough for general commutes", and that's why the model is the best selling model in our company, even in the ebike market.
ELEPEDOL 250W 350W ebike geared hub motor
 | Position | Front/ Rear | 
| Construction  |  Gear | 
| Rated Voltage (V) | 24 / 36 / 48 | 
| Rated Power (W) | 250 /350 | 
| Weight (KG) | 3 | 
| Reduction Ratio | 1:4.4 | 
| Max Torque (N.m) | 42 | 
| Wheel Szie | 16''/18''/20''/22''/24''/26''/28''/700c | 
| Spoke specification | 28Hole/ 36Hole 12g/13g | 
| Rated speed (KM/H) | 25-32 | 
| Magnet Poles (2P) | 10 | 
| Operating temperature (℃) | -20-45 | 
| Surface color | Black /Silver | 
| Dropout (mm) | Front: 100 / Rear: 138 / Rear Cassette: 144.5 | 
| Drive and freewheel | Rear: 6s-8s / Rear Cassette: 8s-10s | 
| Brake type | V / Disc brake | 
| Efficiency (%) | ≥80 | 
| Cable position | Shaft center right | 
| Noise grade (db) | ≤45 | 
| IP grade | 54 | 
DIMENSION
Front wheel: (SQG24F)
Rear wheel: (SQG24R)
Rear Cassette wheel: (SQG24C)
When you plan to choose a motor for your electric bike, please remember that bigger is not always better.
Traditional geared motors range from 250W-500W, but as the electric bicycle industry grows, so is motor power. Normally, a 250w geared hub motor is enough for general commutes, while upgrading to a 350W or 500W, even 750W geared hub motor is beneficial for those who will do a lot of uphill rides.
As you can see from above datas for our SQ-G24 geared hub motor, it has 3 models, front wheel, rear freewheel wheel, rear cassette wheel. And, with different height for the magnet, it can be 250W or 350W. The max torque can reach to 42Nm, and the max speed can reach to 32km/h. Suppose you choose a normal 8.8Ah lithium battery, with pedal assist, you can run the e-bike around 40-60km. That's why we wrote "a 250w geared hub motor is enough for general commutes", and that's why the model is the best selling model in our company, even in the ebike market.